Have you ever faced a power outage and found yourself scrambling to keep your home or business running smoothly? If so, you know how important it is to have a backup power solution that’s both reliable and efficient.
Wiring multiple generators to a transfer switch could be your answer. This setup ensures that you have a seamless transition to backup power when you need it most. But let’s face it, the thought of handling electrical equipment can be intimidating.
That’s why we’re here to guide you through the process in a straightforward, easy-to-follow manner. By the end of this article, you’ll have the confidence to wire multiple generators to a transfer switch, ensuring your peace of mind during the next blackout. Stay tuned to discover how you can make your power setup more robust and dependable.
Types Of Transfer Switches
Manual transfer switcheslet you switch power sources yourself. They are simple and cost less. You must turn off the main power before switching. These switches work well for small homes or where power outages are rare. Safety is important; always follow instructions.
Automatic transfer switchesswitch power sources by themselves. They detect outages and start the generator quickly. This keeps your power on without delay. These switches are great for hospitals, businesses, and big homes. They need professional installation and cost more than manual switches.
Choosing The Right Generators
Choosing the right generators is key for safe power transfer. Check the capacityof each generator. It should match or exceed your power needs. Generators must be compatiblewith the transfer switch to avoid damage. The voltage, phase, and frequency should align perfectly.
Fuel types affect efficiencyand running costs. Common fuels include gasoline, diesel, and propane. Diesel generators often last longer and use fuel efficiently. Gasoline models are usually cheaper but consume more fuel. Propane is cleaner but might be less available. Think about fuel availability and how long you need backup power.
Essential Tools And Materials
Gathering the right tools and materialsensures a safe and smooth wiring process.
- Transfer switchcompatible with your generators
- Heavy-duty electrical cablesrated for generator output
- Wire connectorsand terminal lugs for secure connections
- Circuit breakersto protect wiring and equipment
- Screwdriversand pliers for tightening and cutting wires
- Voltage testerto check live wires safely
- Electrical tapeand cable ties to organize wires
- Safety gearlike gloves and goggles for protection
Having these materials ready helps avoid interruptions during wiring.

Credit: www.reddit.com
Safety Precautions
Wear proper personal protective equipment (PPE)like insulated gloves, safety goggles, and hard hats. This gear helps protect against electrical shocks and flying debris.
Ensure clothes are non-conductive and fit well to avoid accidents.
Before starting work, disconnect all power sources. Use lockout/tagout devices to prevent accidental re-energizing.
Test the circuit with a voltage tester to confirm power is off. Always assume wires are live until proven otherwise.
- Wear insulated gloves and safety goggles
- Use lockout/tagout for power isolation
- Check circuits with a voltage tester
- Wear fitted, non-conductive clothing
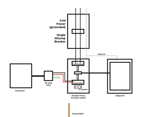
Preparing The Transfer Switch
Place the transfer switch in a dry, accessible location near your main electrical panel. Secure it firmly to a solid surface to avoid movement or vibrations. Ensure enough space around the switch for wiring and maintenance. Keep the switch away from heat sources and water exposure.
Check the wiring diagram carefully before starting. It shows how to connect each generator to the switch and the main panel. Follow the diagram step-by-step to avoid mistakes. Use correct wire sizes as per the diagram to prevent overheating. Label each wire to match the diagram for easy identification.

Credit: revopower.us
Wiring Multiple Generators
Connect each generator’s output to a separate input on the transfer switch. Use wires rated for the generator’s power output. This prevents overloads and ensures safety. Keep the connections tight and secure to avoid sparks or loose contacts.
Use a common neutral bar in the transfer switch. Connect all generator neutrals to this bar. This setup helps balance the electrical load evenly.
Ground all generators to a single grounding rod or grounding system. This reduces the risk of electrical shock and equipment damage. Make sure grounding wires are thick enough and properly connected.
| Connection Type | Purpose | Key Points |
|---|---|---|
| Generator Outputs | Power supply to transfer switch | Separate inputs, correct wire size, secure connections |
| Common Neutral Bar | Balance electrical load | All neutrals connected here, reduces faults |
| Grounding Setup | Safety and equipment protection | Single grounding rod, thick wires, proper connections |
Testing And Troubleshooting
Before powering up, check all connections for tightness and correct placement. Ensure the transfer switch is set to the “off” or “neutral” position. Test each generator separately to confirm they start and run smoothly. Use a multimeter to verify voltage outputs match the switch ratings. Confirm the grounding wires are properly connected for safety.
Common wiring issuesinclude loose connections, reversed polarity, and incorrect grounding. These problems can cause the transfer switch to malfunction or trip unexpectedly. Avoid sharing neutral wires between generators as it may lead to backfeed. Make sure the transfer switch matches the generator’s phase and voltage specifications to prevent damage.
- Loose or corroded terminals
- Incorrect wire gauge or type
- Reversed phase connections
- Missing or faulty grounding
- Neutral and ground wires mixed
Credit: www.powerequipmentforum.com
Maintenance Tips
Routine inspections keep your generator system working well. Check all wires for loose connectionsor damage. Look at the transfer switch for any signs of wearor corrosion. Make sure all safety devicesare in place and working properly.
Test the system regularly to find problems early. Run the generators under load to see if they operate smoothly. Listen for unusual noisesor vibrations. Check fuel levels and replace filters as needed.
Record all inspection results. This helps track system health and plan repairs. Proper care ensures the transfer switch and generators last longer and work reliably during power outages.
Frequently Asked Questions
How Do I Connect Multiple Generators To One Transfer Switch?
To connect multiple generators to one transfer switch, use a manual or automatic transfer switch designed for multi-generator setups. Ensure each generator has its own inlet box and that the transfer switch can handle the combined load safely and efficiently.
Can I Wire Two Generators To A Single Transfer Switch?
Yes, you can wire two generators to a single transfer switch using a properly rated transfer switch with multiple inputs. This setup requires correct wiring, proper synchronization, and safety measures to avoid backfeeding and electrical hazards.
What Safety Precautions Are Needed For Wiring Multiple Generators?
Always turn off all power sources before wiring. Use properly rated cables and connectors. Follow electrical codes and manufacturer instructions. Use interlock kits and transfer switches to prevent backfeed and ensure safe power transfer between generators and the main grid.
Why Is A Transfer Switch Necessary For Multiple Generators?
A transfer switch safely isolates the generator power from the utility grid. It prevents backfeeding, protects utility workers, and ensures smooth power transition. Without it, wiring multiple generators can cause dangerous electrical faults and damage equipment.
Conclusion
Wiring multiple generators to a transfer switch needs care and focus. Follow safety rules and use the right tools. Double-check connections before turning on power. This ensures your system runs smoothly and safely. Take your time, and don’t rush the process.
With the right steps, you can keep your power steady. Stay safe and keep your home or work powered without worry. Simple planning makes a big difference.